| 状态: | |
|---|---|
| 数量: | |
APS-15/20 AC+EPS
NOVELTEK
交流电自走式全电动堆高机:仓储物流的智慧化转型首选
在现代化仓储与工业生产环境中,效率与安全是企业竞争力的核心。恆智重机(NOVELTEK)推出的交流电自走式全电动堆高机(1.5吨 / 2.0吨),结合了先进的 AC 变频动力系统、德系高强度钢材与人体工学设计,不仅能大幅降低维护成本,更透过智慧型减速与安全防护机制,确保在高强度的搬运作业中,人员与货物都能获得最高规格的保障。


这款全电动堆高机的核心竞争力在于其动力的稳定性与节能效果。
传统直流马达(DC)需定期更换碳刷,且容易产生火花与粉尘。恆智採用的 AC 变频马达 具备以下优势:
零保养成本: 无碳刷设计消除了耗材更换的烦恼。
极高效能: 相比传统机型,省电效率提升达 30% 以上,延长了单次充电的使用时间。
动力平顺: 提供强大的扭力输出,即便是 2.0 吨的满载状态,起步依然稳定。
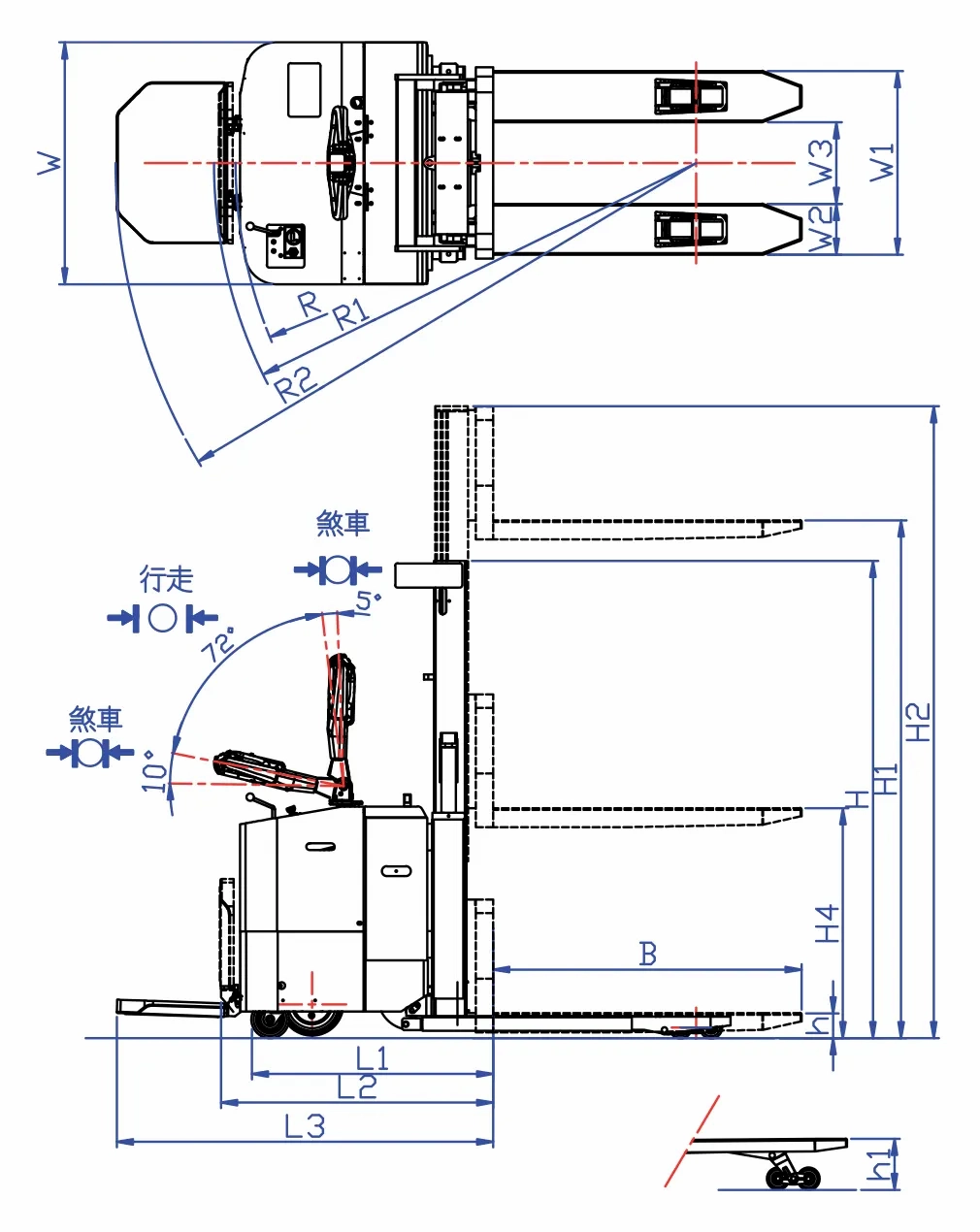
针对狭窄仓储空间设计,EPS 系统让操作者在转向时几乎感觉不到阻力,灵活度极佳。配合 185 度旋转半径,即使是在狭窄的货架走道间,也能轻松完成入库与出库动作,降低作业人员的疲劳感。
在搬运重型货物时,离心力是导致货物摔落的主要原因。
转弯自动减速技术: 当堆高机感应到转向动作时,系统会自动将行走速度调降 50%。这项「物理性防错」机制,有效防止了操作手因速度过快导致的货物倾倒,保护贵重资产。
智慧型无段变速: 捨弃了传统段位变换的顿挫感,线性加速确保行走过程中不爆冲。
倒车安全开关: 操纵桿顶端配备先进感应器,一旦人员后方受阻触碰开关,车体将立即反向移动,避免夹伤意外。
一台堆高机的寿命取决于其桅桿结构与防锈处理。
我们採用德国 HOESCH 一体成形热滚锻堆高机专用型钢。这种钢材具备极高的抗扭曲弹性与载重刚性,即使在扬高 5 米的极限状态下,桅桿依然能保持稳定,不产生晃动。
为了应对台湾潮湿的气候或化学工厂环境,全车採用最高级无铅 PU 烤漆。其附着力强、抗腐蚀,能长效防止锈蚀损伤机器结构。
恆智重机理解不同产业对空间利用的需求差异,因此提供高度客制化的选配清单:
桅桿多样化: 提供二节、三节式桅桿及货柜型专用设计。
货叉尺寸: 标准 1000/1220 mm,亦可依据特殊栈板规格订制。
特殊环境适应: 包括零下 35°C 冷冻型,适用于冷链物流与食品仓储。
Q1:交流电(AC)系统比起直流电(DC)真的比较划算吗?
A: 是的。虽然初期购置成本可能略高,但 AC 马达无碳刷磨损问题,长期节省的保养费与维修停机时间成本,通常在 1-2 年内即可回本。且 30% 的节电率能减少电池更换频率。
Q2:这款堆高机可以在斜坡上使用吗?
A: 可以。本机型底叉扬升达 205 mm,具备优异的爬坡能力与越障性能,且悬吊式驱动马达可上下位移 45 mm,能有效缓冲不平整地面带来的冲击。
Q3:如何监控电池状况,避免作业中途没电?
A: 车身配备「进口多功能综合电表」,可清楚显示剩余电量、工作小时与故障代码。当电量过低时,系统会启动低电量保护功能,提醒操作者及时充电。
Q4:如果我的仓库走道非常窄,这台机器适合吗?
A: 1.5 吨/2.0 吨自走式型号专为高坪效仓库设计。配合 EPS 电子转向,其迴转空间需求远低于一般坐驾式堆高机。
不要让低效的搬运设备成为企业成长的绊脚石。恆智重机具备丰富的产业经验,从传统制造业、化学工业到冷链物流,我们都能为您量身打造专属的物流方案。
专人谘询: 了解您的作业环境与载重需求。
规格定制: 提供货叉、车身、扬高全方位订制。
售后保障: 台湾在地工厂直营,零件充足,维修迅速。
恆智重机股份有限公司 (NOVELTEK)
服务热线: +886-37-220741
工厂地址: 台湾苗栗市水源里水流娘16-1号