CTT-160 AC
NOVELTEK
CTT-160 全电动货柜搬运拖车
CTT-160 全电动货柜搬运拖车
最大牵引力:16,000公斤
16公吨货柜调度拖车的最大牵引力为16,000公斤,可拖动16公吨货柜。这符合一般货柜调度的需求,可满足大部分工厂或港口的货柜搬运作业。
油压式拖车盘升降系统
16公吨货柜调度拖车採用油压式拖车盘升降系统,操作方便、安全。拖车盘升降时,可透过油压系统来控制,无需使用人力,安全性较高。
标配货柜板台车封馆气压剎车功能
16公吨货柜调度拖车标配货柜板台车封馆气压剎车功能,可防止货柜板台车在封馆时滑动。这项功能可确保货柜板台车在封馆后不会滑动,避免货柜滑落造成人员或设备受伤。
电子动力转向系统(EPS系统)
16公吨货柜调度拖车採用电子动力转向系统(EPS系统),操作轻巧灵活。EPS系统可自动调整转向力度,让操作者在转弯时更轻松。
欧洲原装进口产业电瓶
16公吨货柜调度拖车採用欧洲原装进口产业电瓶,使用寿命长。产业电瓶的使用寿命较长,可减少维修保养的成本。
台湾制造,品质有保证
16公吨货柜调度拖车由台湾制造,品质有保证。台湾在制造重型机械方面拥有丰富的经验,产品品质受到国际肯定。
整体而言,16公吨货柜调度拖车是一款性能优越、品质可靠的货柜调度设备。它可满足一般货柜调度的需求,是工厂或港口货柜搬运作业的理想选择。
在现代物流与仓储管理中,货柜的短距离频繁调度一直是企业效率与安全的挑战。传统的大型曳引车不仅作业空间受限,且高昂的维护成本与排碳量已不符合现代 ESG 永续经营趋势。恆智重机 (NOVELTEK) 凭藉深耕台湾数十年的产业经验,推出的 CTT-160 自走式全电动货柜搬运拖车,以 16,000 公斤的卓越牵引力,重新定义了货柜调度的灵活性与经济效益。
CTT-160 的核心设计初衷即是应对重型货柜。具备最大 16,000 公斤(16 公吨)的牵引能力,无论是在码头后线、工厂区还是大型保税仓库,都能轻松完成货柜板台的对接与移位。
面对全球减碳压力,更换电动搬运设备是必然趋势。CTT-160 採用欧洲原装进口产业电瓶,不仅供电稳定、寿命长,且在作业过程中零碳排、低噪音,极大改善了室内作业环境与员工满意度。
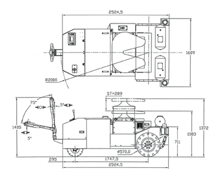
传统重型拖车迴转半径惊人,但在密集的仓储区,空间就是金钱。CTT-160 标配 EPS 电子动力转向系统,操作员仅需轻巧操控,即可带动庞然大物。高达 2080 mm 的精准迴旋半径,让它能在狭窄的走道与货柜间游刃有余。
对于 16 公吨的惯性,煞车性能是安全唯一指标。CTT-160 标配货柜板台车风管气压煞车功能,透过 12V/5HP 的高效能气压帮浦与 58L 空桶容量,确保母车与后方板台煞车同步,彻底杜绝因惯性造成的推挤事故。
项目 | CTT-160 技术数据 | 优势解析 |
最大牵引力 | 16,000 kg (16 Tons) | 满足标准货柜与重型设备转运需求。 |
行走马达 | 10KW / 48V | 强大动力输出,确保重载下行走稳定。 |
爬坡能力 | 全负荷 8% / 无负荷 14% | 轻松应对仓库坡道与地面高低差。 |
拖车盘升降 | 1083 mm ~ 1372 mm | 油压系统可适应各种不同高度的货柜板台。 |
安全性配置 | 倒车防撞、紧急断电、LED警示灯 | 多重保险,保障人员与货物资产安全。 |
大型制造业与工厂: 用于成品出货区与原料卸货区之间的货柜对位,无需唿叫外部车头,自给自足提高运作效率。
物流集散中心与码头: 处理短距离、高频率的板台调度,特别是室内或半封闭式空间。
电子厂与半导体供应链: 针对需要高度清洁、安静的作业环境,CTT-160 的电力系统是最佳解方。
台湾制造,品质保证。 恆智重机不仅提供标准化设备,更具备强大的客制化研发实力。CTT-160 使用欧洲原装电瓶,结合台湾精密的油压与电机技术,保证了长期高强度使用下的低故障率。此外,在地化的售后维修与零件供应,确保您的生产线永不中断。
Q1:CTT-160 的充电时间与续航力如何?
A1:CTT-160 配备 48V/320Ah 高容量产业电瓶,并搭配三相 60A 外置式充电机。在正常作业强度下,可满足一整天的班次需求。其欧洲进口电瓶具有优异的循环寿命,正常维护下可使用多年。
Q2:这台拖车可以应用在斜坡作业吗?
A2:可以。在全负荷的情况下,CTT-160 具备 8% 的爬坡能力,空车则可达 14%,优于多数同级距电动产品。
Q3:气压煞车系统是必要的吗?
A3:对于 16 公吨的牵引量来说,气压煞车至关重要。CTT-160 内建专用气压帮浦与风管接口,能与标准货柜板台的煞车系统连动,确保下坡或紧急煞车时的绝对安全。
Q4:维护成本高吗?
A4:电动设备的维护成本远低于柴油车。省去了机油、变速箱油、滤芯等耗材,仅需定期检查电瓶水与轮胎磨耗。
恆智重机 CTT-160 不仅是一台拖车,更是您提升物流周转率的关键投资。
现在就联系我们,预约产品谘询或实机展示:
公司名称: 恆智重机股份有限公司 (NOVELTEK)
服务专线: +886-37-220741
工厂地址: 台湾苗栗市水源里水流娘16-1号
让 CTT-160 成为您物流链中最安静、最强大的推手!