ABT-30/50/70 SW
NOVELTEK
在现代化智慧仓储与自动化工厂的动线中,如何让重型货物在不同场域间快速、安全且稳定地移动,是提升产能的关键。恆智重机 (NOVELTEK) 隆重推出新改款 ABT-30/50/70 SW 系列全电动座式拖车头,提供 3 吨、5 吨及 7 吨三种规格,以「直觉操控」、「全方位地形适应」与「高续航力」为三大核心,为您的物流团队注入强大动能。
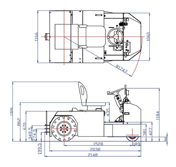
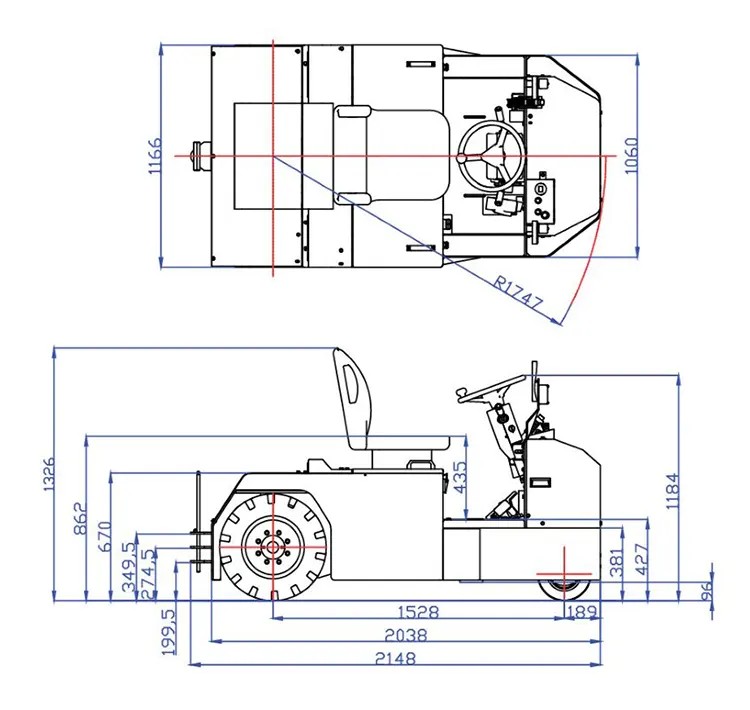
新改款的 ABT-SW 系列捨弃了传统繁杂的控制桿,採用 方向盘式座舱设计。这对操作人员而言极其直觉,几乎与驾驶汽车无异,大幅缩短了新进员工的培训时间,并能显着提升操作的精准度,减少在狭窄货架间穿梭的碰撞风险。
室内外转运最担心的就是天气因素。ABT-30/50/70 SW 具备 IPX4 等级防泼水保护,无论是半户外码头、连接工厂间的露天通道,或是突如其来的雨天环境,设备依然能稳定运转。这项特性让设备不再受限于室内,真正实现厂区全方位串联。
为了适应台湾厂区常见的柏油路、水泥地或略微凹凸不平的地面,本系列特别配置了 更大的轮胎设计。搭配全车 实心橡胶胎,不仅耐磨损、免充气、无爆胎风险,更能提供卓越的抓地力,确保牵引重物时不会轻易打滑。



核心规格 | 技术优势 | 产业应用价值 |
全负荷速度 12km/h | 优于同级设备的行驶速度。 | 适合大型厂区长距离转运,缩短物流前置时间。 |
48V 高压动力系统 | 提供更大的启动扭力。 | 确保满载状态下起步稳健,即使是 7 吨货物也能轻松拉动。 |
长效营运时间 | 优化电力转换效率。 | 满足高强度工作班次,减少充电频率。 |
前转向/后驱动 | 经典稳定结构。 | 提供最佳的转向精度与后轮推动力平衡。 |
长途驾驶搬运车是一项耗费体力的工作。ABT-SW 系列配备 全可调式座椅,操作员可根据身高与坐姿习惯自行调整。符合人体工学的设计能有效减少长时间作业带来的腰椎疲劳,降低职业伤害发生率,进而维持高品质的作业效率。
採用后轮驱动结构,在拖曳重型台车时,重心向后压,能增加驱动轮的摩擦力,确保加速不空转。全车实心胎则赋予了车身极佳的稳定重心,即使在高速(12km/h)行驶下,过弯依然稳健。
台湾制造,精工品质: 由苗栗恆智重机工厂生产,零件供应充足,售后服务迅速,无需担心国外进口零件的漫长等待期。
客制化灵活性: 我们深知每家工厂的拖台车规格不同。ABT-SW 系列提供 特殊拖勾与客制化订制服务,无论您的台车是插销式、挂勾式还是自动扣合,我们都能为您量身打造专属连接装置。
绿色环保(ESG): 全电动系统零排放、低噪音,协助企业通过环境认证,同时提供比燃油车更低的营运成本。
Q1:3 吨、5 吨、7 吨该如何挑选?
A1:建议根据您最常搬运的「最大重量」再加 10-20% 的裕度。若场域内有坡道,则需选择更高吨位的型号以确保爬坡时的扭力充足。
Q2:IPX4 防水等级可以在大雨中使用吗?
A2:IPX4 提供全方位的防泼水保护,足以应对一般的细雨或地面溅水。但为了延长电气零件寿命,建议在强烈暴雨时暂停作业,并在作业后进行简单擦拭与保养。
Q3:电池维护容易吗?
A3:本车採用 48V 电力系统,结构单纯耐用。我们提供微电脑智慧充电机,可有效保护电池不受损,一般人员仅需定期检查电瓶水(若为铅酸电池)即可。
恆智重机 (NOVELTEK) 致力于提供最扎实、最接地气的搬运方案。ABT-30/50/70 SW 系列是您升级自动化物流、落实绿色搬运的最佳起点。
服务热线: +886-37-220741
技术谘询: info@noveltek-forklift.com
总部地址: 台湾苗栗市水源里水流娘16-1号
立即联系业务专员,预约实机测试,感受前所未有的直觉操控体验!
支持全球出口|OEM/ODM 代工合作|小额订单 (1台起) 洽询